NINGBO ZHONGDA LEADER INTELLIGENT TRANSMISSION CO.,Ltd.
Industrial Automation Components Stock Code: 002896
  • 
  • Home
  • Products +
  • Customization
  • Applications +
    • Intralogistics
    • Mobile Robotics
    • Industrial Robot
    • Pizza Baking Oven
    • Ice Cream Maker
    • Forklift
    • Packaging
    • Commercial Ice Making Equipment
    • Textile Equipment
    • Access Control System and Gate Industry
    • Machine Tool Industry
  • Case Studies +
    • DC Gear Motor for Solar Tracking System
    • Brushless DC Gear Motor for Flap Barrier Access Control System
    • Brushless DC Gear Motor For Automatic Labelling Machine
    • Gear Motor for Electric Wheelchair
    • RV Cycloidal Pin Wheel Precision Reducer and Planetary Reducer for Stone Bridge Cutting Machine Industry
    • Brushless DC Geared Motor for Indexing Table Industry
    • F3 Hypoid Geared Motor for Ice Making Machine Industry
  • About Us +
    • Company Profile
    • History
    • Manufacturing
    • Distributors
    • Download
  • Videos
  • Contact us
  • Products
  • AC Gear Motor
  • Brake Motor
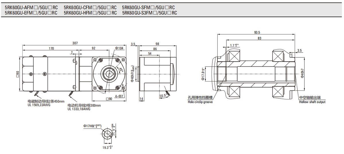
  • 90mm 60W Brake Motor
90mm 60W Brake Motor
90mm 60W Brake Motor

90mm 60W Brake Motor

Request a Quote
  • Specifications
  • Torque Table
  • Applications
Motor Specifications
Model Rating Output
Power
W
Voltage
V
Frequency
Hz
Current
A
Starting Torque
mN.m
Rated Torque
mN.m
Rated Speed
r/min
Capacitor
μF
5RK60GU-AFM 30min 60 1ph 100 50 1.26 470 470 1250 25
60 1.70 380 1550
5RK60GU-EFM 30min 60 1ph 110 60 1.05 330 380 1550 15
1ph 120 0.85 380
5RK60GU-CFM 30min 60 1ph 220 50 0.55 420 470 1250 4.5
1ph 230 0.60 460
5RK60GU-HFM 30min 60 1ph 220 60 0.55 420 380 1550 4.5
1ph 230 0.60 460
5RK60GU-SFM 30min 60 3ph 220 50 0.45 1000 470 1250 -
60 0.40 800 380 1550
5RK60GU-S3FM 30min 60 3ph 380 50 0.26 1000 470 1250 -
60 0.23 800 380 1550
Gear Motor-Torque TableAllowance Torque Unit: N.m
  • Right Angle
  • Parallel Shaft
Type
Motor/Gearhead
Gear Ratio 7.5 9 12.5 15 18 25 30 36 50 60 75 90 100 120 150 180
Speed
r/min
50Hz 200 166 120 100 83 60 50 41 30 25 20 16 15 12 10 8
60Hz 240 200 144 120 100 72 60 50 36 30 24 20 18 15 12 10
5RK60GU-AFM
SRK60GU-EFM
5RK60GU-CFM
SRK60GU-HFM
SRK60GU-SFM
5RK60GU-S3FM
5GU()RC
5GU()RT
Allowance
Torque
50Hz 2.37 2.84 3.95 4.73 5.68 7.89 9.47 10.2 14.2 17.0 20.0 20.0 20.0 20.0 20.0 20.0
60Hz 1.91 2.29 3.18 3.82 4.58 6.36 7.64 8.25 11.5 13.7 17.2 20.0 20.0 20.0 20.0 20.0
PDF Download
Specifications
Specifications
GU Series
PDF Download
Type
Motor/Gearhead
Gear Ratio 3 3.6 5 6 7.5 9 10 12.5 15  18 20 25 30 36 40 50 60 75 90 100 120 150 180 200
Speed r/min  50Hz 500 417 300 250 200 166 150 120 100  83 75 60 50 41 37 30 25 20 16 15 12.5 10 8.3 7.5
 60Hz 600 500 360 300 240 200 180 144 120 100 90 72 60 50 45 36 30 24 20 18 15 12 10 9
5RK60GU-AFM
5RK60GU-EFM
5RK60GU-CFM
5RK60GU-HFM
5RK60GU-SFM
5RK60GU-S3FM
5GU()KB
5GU()K
50Hz 1.10 1.40 1.90 2.30 2.90 3.40 3.61 4.80 5.70 6.80 7.12 8.60 10.0 10.3 11.6 12.4 15.5 18.6 20.0 20.0 20.0 20.0 20.0 20.0
60Hz 0.92 1.10 1.50 1.80 2.30 2.80 3.01 3.80 4.60 5.50 5.73 6.90 8.30 8.30 9.70 10.0 12.5 15.0 18.8 20.0 20.0 20.0 20.0 20.0
Specifications
L1=65.5mm
GN Series
PDF Download
Type
Motor/Gearhead
Gear Ratio 3 3.6 5 6 7.5 9 10 12.5 15 18 20 25 30 36 40 50 60 75 90 100 120 150 180 200
Speed r/min  50Hz 500 417 300 250 200 166 150 120 100 83 75 60 50 41 37 30 25 20 16 15 12.5 10 8.3 7.5
 60Hz 600 500 360 300 240 200 180 144 120 100 90 72 60 50 45 36 30 24 20 18 15 12 10 9
5RK60GN-AFM
5RK60GN-EFM
5RK60GN-CFM
5RK60GN-HFM
5RK60GN-SFM
5RK60GN-S3FM
5GN()K  50Hz 1.10 1.40 1.90 2.30 2.90 3.40 3.57 4.80 5.70 6.80 7.03 8.60 10.0 10.0 10.0 10.0 10.0 10.0 10.0 10.0 10.0 10.0 10.0 10.0
 60Hz 0.92 1.10 1.50 1.80 2.30 2.80 2.99 3.80 4.60 5.50 5.70 6.90 8.30 10.0 10.0 10.0 10.0 10.0 10.0 10.0 10.0 10.0 10.0 10.0
Specifications
L1=60mm
Applications
  • Food and Beverage Processing Sausage grillers, milk tea sealing machines, ice makers, automatic tea-roasting machines, meat grinders.
  • Packaging Equipment Carton sealers, kraft paper packaging machines.
  • Semiconductor Manufacturing: Precision handling and assembly equipment.
  • Battery Manufacturing Lithium battery processing systems.
  • Intralogistics Conveyor systems for logistics and warehousing.
  • Printing and Binding Conical plastic cup printers, industrial printers, paper mounting machines.
  • Woodworking Machinery Edge banding machines, sawing equipment, automated woodworking production lines.
  • Textile Industry Textile production equipment.
  • Livestock Management Manure removal systems, pig farming equipment, feeding systems.
  • Inspection Systems Security inspection machines.
  • Dust Removal Systems Industrial dust removal equipment.
  • Injection Molding Auxiliary systems for injection molding machines.
  • Access Control Systems Speed gates, channel gates.

Need more help? Let us know your requirements.

Our Products
  • AC Gear Motor
      Induction Motor Speed Control Motor Reversible Motor Brake Motor Torque Motor
  • DC Gear Motor
  • Planetary DC Gear Motor
  • Drum Motor
  • Small AC Gear Motor
  • F2/F3 Hypoid Gear Motor
  • Planetary Gearbox
  • Precision Cycloidal Gearbox
  • Intelligent Logistics
  • Motor Driver & Controller
  • Industrial Robot
Other Products
60mm 6W Brake Motor 60mm 6WBrake Motor
70mm 15W Brake Motor 70mm 15WBrake Motor
80mm 25W Brake Motor 80mm 25WBrake Motor
90mm 40W Brake Motor 90mm 40WBrake Motor
90mm 60W Brake Motor 90mm 60WBrake Motor
90mm 90W Brake Motor 90mm 90WBrake Motor
90mm 120W Brake Motor 90mm 120WBrake Motor
104mm 120W Brake Motor 104mm 120WBrake Motor
Manufacturing
Manufacturing
Manufacturing
Manufacturing

The company continually invests in the introduction of internationally advanced production and testing equipment. Zhongda has established a comprehensive manufacturing system, comprising the following components:

Gear Processing Equipment primarily composed of Japan's Mitsubishi and Germany's KAPP.
Housing Processing Equipment mainly from Japan's MAKINO and Mazak.
Motor Processing Equipment featuring Japan's AIDA and NITTOKU.
Product Inspection Equipment including Germany's Zeiss and Klingelnberg.
Main Products

Our Range of Industrial Automation Components

DC Gear Motor
Product Info
DC Gear Motor DC gear motor is a combination of a precision miniature gearbox and a compact electric motor.
Brushless DC Gear Motor
Product Info
Brushless DC Gear Motor The structure of brushless motors is different from that of traditional brush motors.
Planetary DC Gear Motor
Product Info
Planetary DC Gear Motor Planetary DC gear motors are available in brush DC planetary gear motor (carbon brush gear motor) and brushless DC planetary gear motor.
Drum Motor
Product Info
Drum Motor Drum motor is a drive unit that combines motor with gear box enclosed within an outer shell.
Small AC Gear Motor
Product Info
Small AC Gear Motor Renowned for its quiet operation, long lifespan, and compact design, our small AC gear motor can be powered from 100W up to 3700W, compatible with both single-phase and three-phase AC.
F2/F3 Hypoid Gear Motor
Product Info
F2/F3 Hypoid Gear Motor Zhongda F2/F3 hypoid gear motor is a combination of an electric motor and a hypoid gear reducer, featuring the quiet operation of turbine worm reducers and the efficiency of bevel gear reducers. This F2/F3 hypoid gear motor is particularly suitable for environments that demand small power drives in limited space.
Planetary Gearbox
Product Info
Planetary Gearbox planetary gearbox is a commonly used reducer made up of several components, including outer shell, inner shell, planetary wheel, input shaft and output shaft, as well as seals and related accessories.
Precision Cycloidal Gearbox
Product Info
Precision Cycloidal Gearbox Robotic cycloidal gearboxes stand as the heart of jointed robots and a crucial component in various automation equipment such as industrial machinery, medical devices, and AGV automated carts.
Intelligent Logistics
Product Info
Intelligent Logistics Drive wheel and power steering motor are two essential parts used in the field of intelligent logistics.
Motor Driver & Controller
Product Info
Motor Driver & Controller Drive wheel and power steering motor are two essential parts used in the field of intelligent logistics.
Industrial Robot
Product Info
Industrial Robot Zhongda has a strong heritage of over 20 years in building essential core components for industrial robots and articulated arm robots. Our "Half the Robot" solution is designed for simplification.
About Us

Established in 1998, Zhongda has grown to become a leading high-tech enterprise in China that combines research, manufacturing, sales, and services in the sector of motor drives, micro motors, precision reducers, and integrated intelligent units. With a registered capital of 104 million Yuan, we have expanded to nine subsidiaries, employing over 1,800 dedicated individuals. In August 2017, we proudly made our mark on the main board of the Shenzhen Stock Exchange under the stock code: 002896.

Products
  • AC Gear Motor
  • DC Gear Motor
  • Planetary DC Gear Motor
  • Drum Motor
  • Small AC Gear Motor
  • F2/F3 Hypoid Gear Motor
  • Planetary Gearbox
  • Precision Cycloidal Gearbox
  • Intelligent Logistics
  • Motor Driver & Controller
  • Industrial Robot
Applications
    • Intralogistics
    • Mobile Robotics
    • Industrial Robot
    • Pizza Baking Oven
    • Ice Cream Maker
    • Forklift
    • Packaging
Contact us
Ningbo Zhongda Leader Intelligent Transmission Co., Ltd.
+86-574-63537171
+86-574-63534879
Kerry Cen